你提供的照片可能用于改善必应图片处理服务。
隐私政策
|
使用条款
无法使用此链接。检查链接是否以 "http://" 或 "https://" 开头,然后重试。
无法处理此搜索。请尝试其他图像或关键字。
试用视觉搜索
使用图像搜索、识别对象和文本、翻译或解决问题
将一个或多个图像拖到此处,
上传图像
或
打开相机
将图像放到此处以开始搜索
要使用可视化搜索,请在浏览器中启用相机
English
全部
搜索
图片
灵感
创建
集合
视频
地图
资讯
更多
购物
航班
旅游
笔记本
自动播放所有 GIF
在这里更改自动播放及其他图像设置
自动播放所有 GIF
拨动开关以打开
自动播放 GIF
图片尺寸
全部
小
中
大
特大
至少... *
自定义宽度
x
自定义高度
像素
请为宽度和高度输入一个数字
颜色
全部
仅限颜色
黑白
类型
全部
照片
剪贴画
素描
动画 GIF
透明
版式
全部
方形
横版
高
人物
全部
仅脸部
半身像
日期
全部
过去 24 小时
过去一周
过去一个月
去年
授权
全部
所有创作共用
公共领域
免费分享和使用
在商业上免费分享和使用
免费修改、分享和使用
在商业上免费修改、分享和使用
详细了解
清除筛选条件
安全搜索:
中等
严格
中等(默认)
关闭
筛选器
768×1024
scribd.com
MODULE - BODY CONTROL LAYOU…
684×690
2CarPros
Body Control Module Location: I Had Bought This Body ..., Page 2
1027×741
ecuexpress.co.uk
Body Control Module - ECU EXPRESS TESTING & REPAIR
2000×1189
chevroletforum.com
2014 Body Control Module Location - Chevrolet Forum - Chevy Enthusiasts ...
474×300
Fixya
SOLVED: Body control module location 2008 Chevy express - Fixya
650×417
www.2carpros.com
Where Is the Body Control Module Located?
650×380
www.2carpros.com
Where Is the Body Control Module Located?
650×421
www.2carpros.com
Where Is the Body Control Module Located?
650×416
www.2carpros.com
Where Is the Body Control Module Located?
720×405
logornikkblwire.z14.web.core.windows.net
Chevy Silverado Body Control Module
519×877
2CarPros
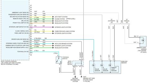
Body Control Module Wirin…
1533×867
2CarPros
Body Control Module Wiring Diagrams and Pin Out?
342×300
Fixya
SOLVED: 2007 chevy impala body control module location - …
497×582
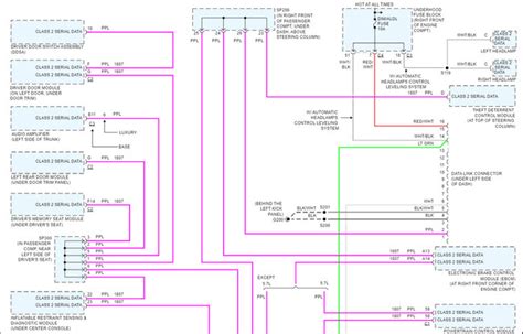
www.2carpros.com
Wiring Diagram for the Body Control Module Pin Needed?
593×467
www.2carpros.com
Wiring Diagram for the Body Control Module Pin Needed?
960×630
carschematics.com
Understanding the Anatomy of a Chevy Express: A Guide to Body Parts
600×515
stewart-switch.com
Gm Body Control Module Wiring Diagram
600×398
stewart-switch.com
Gm Body Control Module Wiring Diagram
600×662
stewart-switch.com
Gm Body Control Module Wiring Diagram
650×568
www.2carpros.com
Body Control Module Diagram Needed?: I'm Havi…
711×612
www.2carpros.com
Body Control Module Diagram Needed?: I'm Having a Prob…
1228×779
www.2carpros.com
Body Control Module Change?: Hi, Thanks for Reviewing My BCM ...
1184×705
www.2carpros.com
Body Control Module Change?: Hi, Thanks for Reviewing My BCM ...
1500×833
drairatxediaz.com
Parts & Accessories Automotive 03 04 05 06 07 CHEVROLET EXPRESS BODY ...
900×1100
portal-diagnostov.com
BODY CONTROL MODULES – Chevr…
900×1100
portal-diagnostov.com
BODY CONTROL MODULES – Chev…
400×300
www.tahoeyukonforum.com
Body Control Module | Chevy Tahoe Forum | GMC Yukon Forum | Taho…
900×1100
portal-diagnostov.com
BODY CONTROL MODULES – Chev…
2000×1333
ar.inspiredpencil.com
Power Control Module Location
1512×1512
storage.googleapis.com
What Is A Body Control Module On A Chevy Cruze 2015 at Eula Seay blog
668×767
www.2carpros.com
Installation of Body Control Module: I Bo…
613×904
2CarPros
Body Control Module Locatio…
900×1100
portal-diagnostov.com
BODY CONTROL MODULES – Chevr…
1200×630
motorverso.com
Body Control Module Reset 🏎️ All You Need To Know
768×402
carcareassist.com
How to Reset Body Control Module - Car Care Assist
某些结果已被隐藏,因为你可能无法访问这些结果。
显示无法访问的结果
报告不当内容
请选择下列任一选项。
无关
低俗内容
成人
儿童性侵犯
反馈